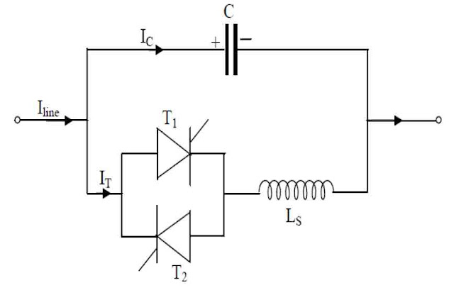
Thyristor-controlled Series Compensator Tcsc
The basic Thyristor Controlled Series Capacitor scheme was proposed in 1986 by Vithayathil with others as a method of “rapid adjustment of network impedance”. A TCSC can be defined as a capacitive reactance compensator that consists of a series capacitor bank shunted by a thyristor-controlled reactor to provide a smoothly variable series capacitive reactance. In a practical TCSC implementation, several such basic compensators may be connected in series to obtain the desired voltage rating and operating characteristics. However, the basic idea behind the TCSC scheme is to provide a continuously variable capacitor using partially canceling the effective compensating capacitance by the TCR. The basic conceptual TCSC module comprises a series capacitor, C, in parallel with a thyristor-controlled reactor.
PRINCIPLE OF OPERATION:
A TCSC is a series-controlled capacitive reactance that can provide continuous control of power on the ac line over a wide range. From the system viewpoint, the principle of variable-series compensation is simply to increase the fundamental-frequency voltage across a Fixed Capacitor (FC) in a series compensated line through appropriate variation of the firing angle, α. This enhanced voltage changes the effective value of the series capacitive reactance. A simple understanding of TCSC functioning can be obtained by analyzing the behavior of a variable inductor connected in parallel with an FC. The maximum voltage and current limits are design values for which the thyristor valve, the reactor, and the capacitor banks are rated to meet specific application requirements.
CHARACTERISTICS OF TCSC:
Below are the characteristics of TCSC. α is the delay angle measured from the crest of the capacitor voltage or equivalently, the zero crossing of the line current. Therefore, with the usual TCSC arrangement in which the impedance of the TCR reactor XL is smaller than that of the capacitor, XC, the TCSC has two operating ranges around its internal circuit resonance.
![]() |
| Figure: Characteristics of TCSC |
Related Topic – click here
- What Is A Diode? Working Principle & Types | Different Types Of Resistors
- What Is Synchronous Speed? | Types & Advantages Of DC Motors
- Working Principle Of Linear Variable Differential Transformer | Construction & Piezoelectric Transducers
- Three-Phase Induction Motor | 3-Phase Induction Motor Principle
- Introduction To Electrical Transformer | Definition, Construction & Parts Of A Transformer | Types Of Transformers
- DC Generator | Principle Of Operation, Construction, Types Of Generators & Application
- What Is DC Motor? | Principle Of DC Motor & Types Of DC Motors
- Diode-Circuits |Diode Convention, Transformer Rectifier & Objective Questions With Answer

